BA C系列滑動扭矩反作用臂(笛卡爾扭矩反作用臂)專為覆蓋大面積鎖付表面而設計,具有精確的桌面導軌,保證鎖付的垂直度。雙重垂直滑動設計,提供堅固性和精確性,同時縮短鎖付循環時間。

| Model | Max torque (Nm) | Tool Ø (mm) | Stroke (mm) | Load max (kg) | Code |
|---|---|---|---|---|---|
| BA 25 C | 25 | 28-52 | 250 | 2.2 | 4-5200722 |
| BA 100 C | 100 | 28-52 | 325 | 3 | 4-5200433 |
| BA 200 C | 200 | SANS | 350 | 8 | 4-5200723 |

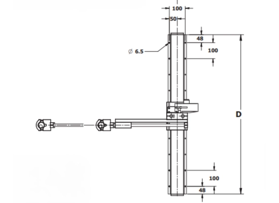
| Stroke | Length D |
|---|---|
| 420 | 600 |
| 820 | 1000 |
| 1320 | 1500 |
| 1820 | 2000 |
| 型號 | 最大扭矩 (Nm) | 工具直徑 (mm) | 行程 (mm) | 最大承重 (kg) | 代碼 |
|---|---|---|---|---|---|
| BA 25 C | 25 | 28-52 | 250 | 2.2 | 4-5200722 |
| BA 100 C | 100 | 28-52 | 325 | 3 | 4-5200433 |
| BA 200 C | 200 | 無 | 350 | 8 | 4-5200723 |