
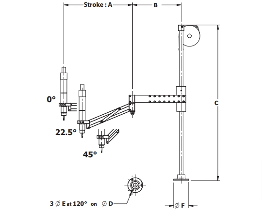
| 型號 | A 0° (mm) | A 22.5° (mm) | A 45° (mm) | B 最小 (mm) | B 最大 (mm) | C (mm) | 在 22.5°的操作半徑 (mm) |
|---|---|---|---|---|---|---|---|
| BA 5 R | 259 | 243 | 192 | 132 | 212 | 705 | 420 |
| BA 12 R | 279 | 261 | 209 | 102 | 252 | 808 | 450 |
| BA 12 R / 600 | 332 | 310 | 247 | 332 | 357 | 908 | 600 |
| BA 25 R | 326 | 310 | 227 | 137 | 365 | 908 | 600 |
| BA 25 R / 600 | 483 | 452 | 305 | 417 | 450 | 908 | 600 |
| BA 40 R | 413 | 387.5 | 305 | 415 | 415 | 908 | 600 |
| BA 40 R / 800 | 604 | 577 | 371 | 450 | 520 | 1008 | 800 |
| BA 100 R | 460 | 432 | 305 | 415 | 615 | 1008 | 800 |
| BA 100 R / 900 | 648 | 617 | 455 | 635 | 635 | 1008 | 1000 |
| BA 100 R / 1100 | 694 | 648 | 517 | 856 | 635 | 1008 | 1100 |

| Type | A (0°) | A (22.5°) | B | C | Operating radius |
|---|---|---|---|---|---|
| BA 180 R/1200 | 686 | 637 | 700 | 2000 | 1200 |
| BA 180 R/1500 | 820 | 760 | 865 | 2000 | 1500 |

| 型號 | A 0° (mm) | A 22.5° (mm) | A 45° (mm) | B 最小 (mm) | B 最大 (mm) | C (mm) | 在 22.5°的操作半徑 (mm) |
|---|---|---|---|---|---|---|---|
| BA 5 R | 259 | 243 | 192 | 132 | 212 | 705 | 420 |
| BA 12 R | 279 | 261 | 209 | 102 | 252 | 808 | 450 |
| BA 12 R / 600 | 332 | 310 | 247 | 332 | 357 | 908 | 600 |
| BA 25 R | 326 | 310 | 227 | 137 | 365 | 908 | 600 |
| BA 25 R / 600 | 483 | 452 | 305 | 417 | 450 | 908 | 600 |
| BA 40 R | 413 | 387.5 | 305 | 415 | 415 | 908 | 600 |
| BA 40 R / 800 | 604 | 577 | 371 | 450 | 520 | 1008 | 800 |
| BA 100 R | 460 | 432 | 305 | 415 | 615 | 1008 | 800 |
| BA 100 R / 900 | 648 | 617 | 455 | 635 | 635 | 1008 | 1000 |
| BA 100 R / 1100 | 694 | 648 | 517 | 856 | 635 | 1008 | 1100 |
| 型號 | 最大扭矩 (Nm) | 工具 Ø (mm) | 最大負荷 (kg) | 最大半徑 (mm) | 代碼 |
|---|---|---|---|---|---|
| BA LR | 5 | 25 - 42 | 0.9 | 450 | 4-5200826 |
| BA 5 R | 5 | 25 - 42 | 0.9 | 450 | 4-5200682 |
| BA 12 R | 12 | 27 - 50 | 1.2 | 600 | 4-5201273 |
| BA 12 R/800 | 12 | 27 - 50 | 1.2 | 600 | 4-1200078 |
| BA 25 R | 25 | 28 - 52 | 2.2 | 600 | 4-1200074 |
| BA 25 R/800 | 25 | 28 - 52 | 2.2 | 730 | 4-1200075 |
| BA 40 R | 40 | 28 - 52 | 3 | 650 | 4-1200076 |
| BA 40 R/800 | 40 | 28 - 52 | 3 | 800 | 4-1201176 |
| BA 100 R | 100 | 28 - 52 | 5 | 730 | 4-1201177 |
| BA 100 R/900 | 100 | 28 - 52 | 5 | 900 | 4-1201178 |