

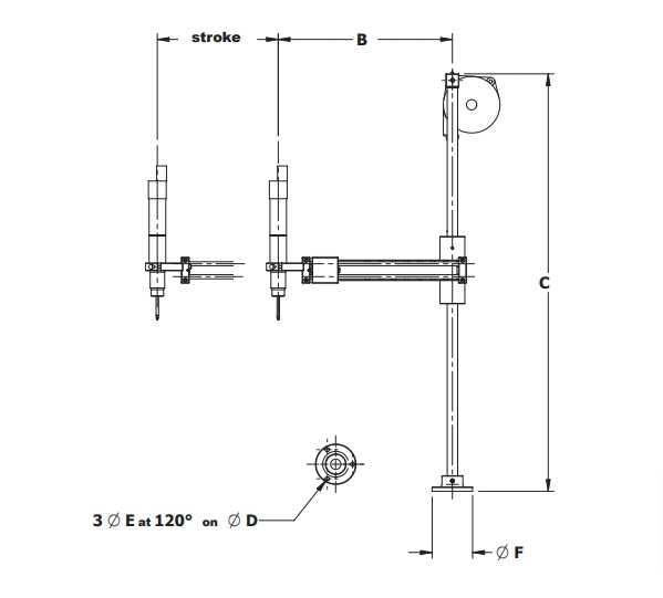
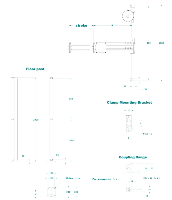
| 型號 | 行程A (mm) | B 最小值 (mm) | B 最大值 (mm) | C (mm) | D (mm) | E (mm) | F (mm) |
|---|---|---|---|---|---|---|---|
| BA 5 | 200 | 235 | 315 | 705 | 65 | 8.5 | 78 |
| BA 12 | 200 | 186 | 336 | 805 | 65 | 8.5 | 78 |
| BA 25 | 250 | 221 | 396 | 908 | 65 | 8.5 | 78 |
| BA 40 | 295 | 260 | 460 | 1008 | 100 | 8.5 | 118 |
| BA 100 | 330 | 315 | 515 | 1008 | 126 | 10.5 | 148 |

| 型號 | 行程 A (mm) | B 最小值 (mm) | B 最大值 (mm) | C (mm) | D (mm) | E (mm) | F (mm) |
|---|---|---|---|---|---|---|---|
| BA 200 | 350 | 430 | 500 | 35 | 24 | 8.2 | 42 |
| BA 400 | 400 | 326 | 406 | 40 | 28 | 12.2 | 52 |
| 型號 | 最大扭矩 (Nm) | 工具直徑 (mm) | 行程 | 最大負載 (kg) | 代碼 |
|---|---|---|---|---|---|
| BA5 | 5 | 25 - 42 | 200 | 0.9 | 4-5200085 |
| BA12 | 12 | 27 - 50 | 225 | 1.2 | 4-5200100 |
| BA25 | 25 | 28 - 52 | 250 | 2.2 | 4-5200076 |
| BA40 | 40 | 28 - 52 | 295 | 2.24* | 4-5200067 |
| BA100 | 100 | 28 - 52 | 325 | 3½* | 4-5200068 |
| 型號 | 最大扭矩 (Nm) | 行程 | 最大負載 (kg) | 代碼 |
|---|---|---|---|---|
| BA200 | 200 | 345 | 8 | 4-5201092 |
| BA400 | 400 | 400 | 12 | 4-5201093 |
| BA1000 | 1000 | 400 | 16 | 應要求提供 |